Welcome:Beijing Plink Ai Technology Co.,LTD.Service Hotline:+86-400-127-3302
Language: Chinese ∷  English

Ascend Carrier Board

  • GC-A301 Carrier Board
  • GC-A301 Carrier Board
  • GC-A301 Carrier Board
GC-A301 Carrier BoardGC-A301 Carrier BoardGC-A301 Carrier Board

GC-A301 Carrier Board

● Based on Ascend 310P processor
● 176 TOPS INT8, 48G 256位 LPDDR4X, 128G EMMC
● 4x USB, 2x RJ45, 1x FC, 1x HDMI(option)
● 2x miniPCIe, 1x M.2 KEY M(2280), 1x M.2 KEY M(2242), 1x M.2 KEY B(3050), 1x nano SIM, 2x SATA(power supply)
● operating temperature: -40℃~ +85℃

Introduction

GC-A301 is an industrial-grade development board specifically designed for edge AI scenarios. Its core is equipped with the Ascend 310P processor, delivering up to 176 TOPS INT8 of AI compute, which meets the performance requirements for real-time AI inference in fields such as industrial quality inspection, autonomous driving, intelligent transportation, and intelligent healthcare.


To ensure stable operation in complex environments, this board uses wide-temperature components, and all interfaces have been designed with electrostatic safety protection. It also adopts a high-reliability power supply solution and features input overvoltage and reverse polarity protection functions.


Specifications

Processor AI310SM module(Ascend 310P)
AI Compute 176 TOPS INT8
CPU ARMv8.2 16core TaishanV200M@max. 1.9 GHz
Memory 48 GB 256 位 LPDDR4X
Storage 128G EMMC

Video Encoder/Decoder

JPEG Encoder/Decoder

Video Encoder: 24x 1080P@30fps/3x 4K@60fps (H.264/H.265)
Video Decoder: 96x 1080P@30fps/12x 4K@60fps (H.264/H.265)

JPEG Encoder: 4K@192fps (FHD@1024fps)

JPEG Decoder: 4K@384fps (FHD@2048fps)

supports up/down scaling, crop, Chroma up/down sampling, color space conversion(FHD 4320FPS)
Display 1x HDMI(option)
USB 4x USB 3.0 Type-A
Network
6x Gigabit network (2x RJ45+ 3x 16pin Header+ 1x FC )
Button

Select 4 startup methods via the J60 jumper wire

1.EMMC 2.PXE FTP 3.SATA 4.NVME

Expansion

2x miniPCIe,

1x M.2 KEY M(2280),

1x M.2 KEY M(2242),

1x M.2 KEY B(3050),

1x nano SIM,

2x SATA(power supply)

Function Signal 4xCAN,2xSPI,2xIIC,4xGPIO
Serial Port
4xUART
Operating Temperature -40~+85℃
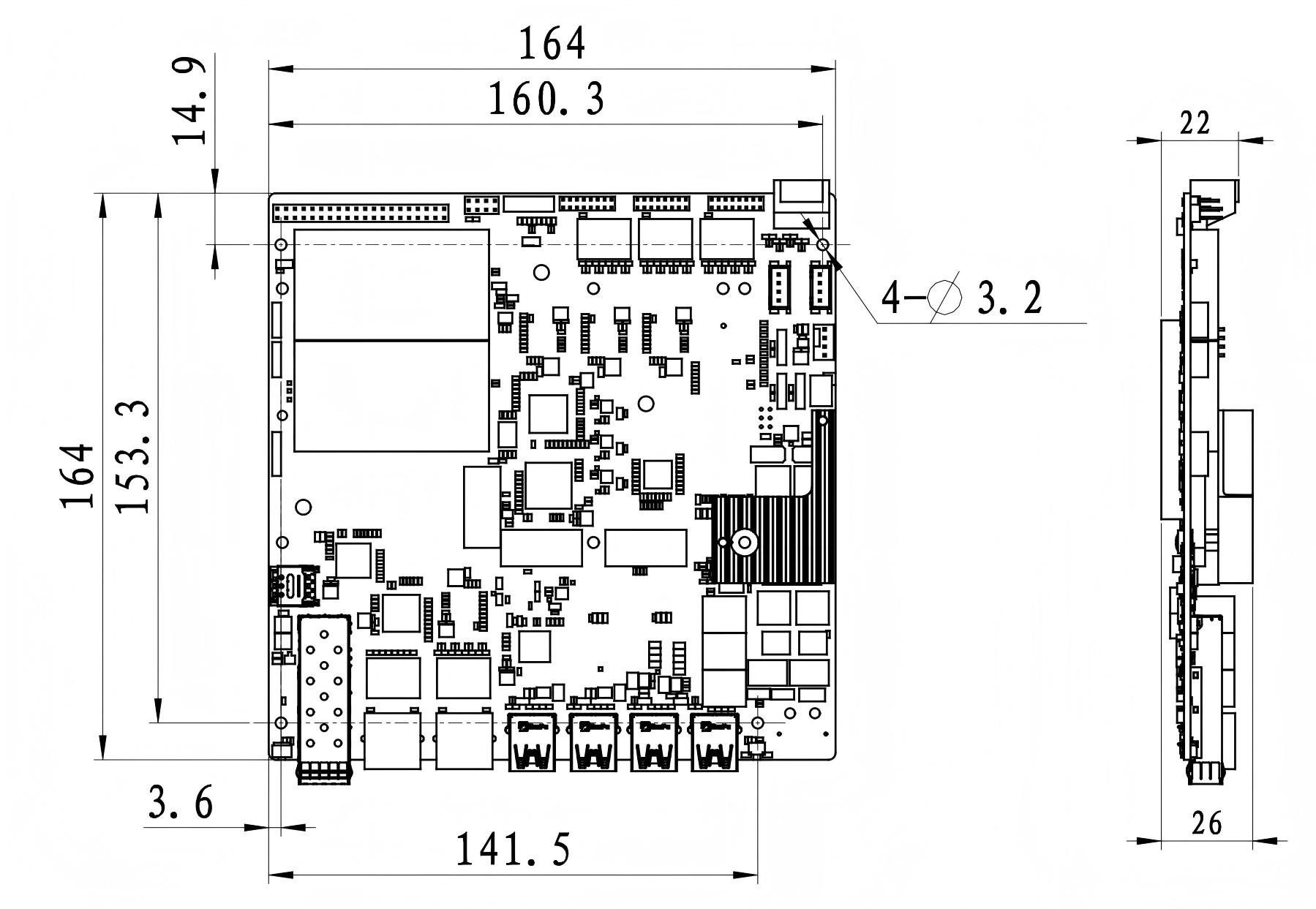
Dimensions 175mm*164mm*22mm
Input Voltage DC 9V~36V
Weight
204g
OS openEuler


Interfaces

Dimensions